Professional Medical Equipment & Technical Service Provider
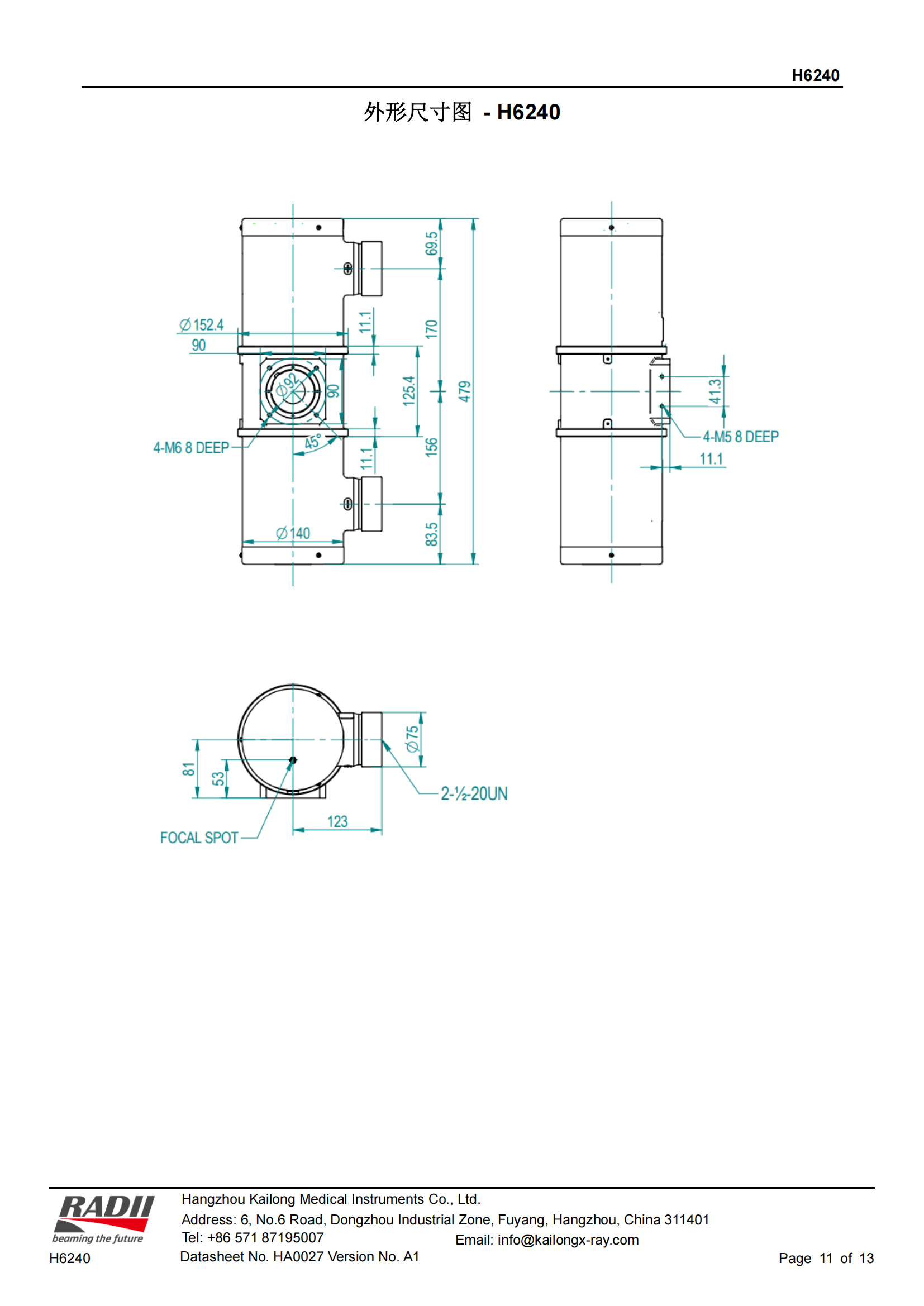
产品名称 : 凯龙 H6240 X射线管 产品类型 : 球管 产品厂家 : 凯龙 产品规格型号 : H6240 规格参数 : 焦点:0.6/1.2,功率:50Hz-16/40 60Hz-17/42 (0.1s),热容量:150,靶角:12°,管电压:125KVP